优势特点:上银线性模组KK8620P-640A1-F0特点。 1、单体运动速度快、重复定位精度高、本体质量轻、占设备空间小、寿命长。2、动力部件动态性能好.滑台刚度高热变形小3、进给稳定性高从而保证了 加工状态下(负荷下)的实际精度。


上银线性模组KK8620P-640A1-F0六大特性
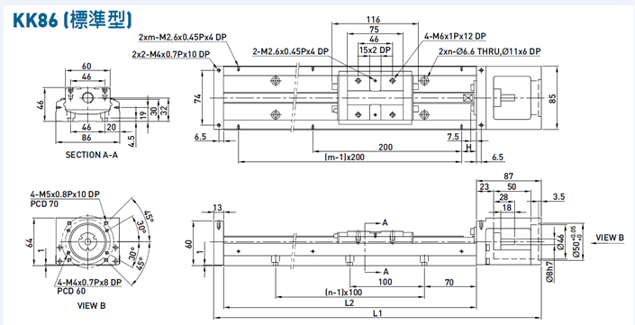
材料
高强度铝镁合金、强度与硬度是普通铝材的一倍、不容易被磨伤、碰伤、时效时间长、已经释放应力、加工不容易变形、直线度与平行度良好
螺母座:
开口向上的设计方式、可以方便拆装上盖板、也方便组装到设备机台上及售后
表面处理:
电泳后颜色美观、宝马灰的颜色独一无二、表面硬度高、耐磨、解决了外观缺陷难题
加工特点:
型材底座一次性整体一刀加工、无接刀、光洁度高、精度高、加工长度可达4.5m、满足绝大多数客户的需求
主支撑座与电机座一体化设计:
一体化设计、保证丝杆与电机的同心度;电机、丝杆、连轴器的使用寿命会延长
丝杆精度高、可按客户的要求订制:
丝杆精度高、摩擦系数低、丝杆的直径与导程可以根据客户的要求订制
上银线性模组KK8620P-640A1-F0特点。 1、单体运动速度快、重复定位精度高、本体质量轻、占设备空间小、寿命长。2、动力部件动态性能好.滑台刚度高,热变形小,3、进给稳定性高,从而保证了 加工状态下(负荷下)的实际精度。
上一篇:KK8620P-540A1-F0
下一篇:KK8620P-740A1-F0




